JN250 high-pressure washer is designed for ultra-high-pressure water jet cleaning, metal cutting, ship cleaning, and rust removal. It is also suitable for descaling and cleaning condensers, heat exchangers, evaporators, boilers, and various pressure vessels in chemical plants, sugar plants, and power plants.
The washer is equipped with an ultra-high-pressure plunger pump manufactured using advanced industry technologies. The power end adopts forced lubrication, with the high-speed shaft and crankshaft driven by herringbone gears to ensure smooth and reliable transmission. This design reduces friction, enhances lubrication performance, lowers noise levels, and minimizes temperature rise at the power end.
Customer Cases
Water jet cutting project
Specifications
JN250 High-Pressure Triplex Plunger Pump (Driven by Electric Motor), Pump Speed: 422 min⁻¹
| Plunger Dia. (mm) | Input Speed (r/min) 1480 | Pump Speed | 422 | Transmission Ratio | i=3.5 | |
| Max. Pressure (MPa) under Motor Power below | ||||||
| Theoretical Flow | 132 kW | 160 kW | 200 kW | 250 kW | ||
| L/min | m³/h | |||||
| 20 | 50 | 3 | 140 | 160 | 220 | 250 |
| 22 | 60 | 3.6 | 115 | 140 | 180 | 200 |
| 24 | 70 | 4.2 | 100 | 120 | 160 | 180 |
| 26 | 87 | 5.22 | 80 | 100 | 120 | 140 |
| 28 | 101 | 6.06 | 70 | 80 | 110 | 120 |
| 30 | 116 | 6.96 | 60 | 70 | 95 | 105 |
| 32 | 132 | 7.92 | 52 | 62 | 85 | 95 |
| 34 | 149 | 8.94 | 46 | 55 | 75 | 85 |
| 36 | 167 | 10.02 | 42 | 50 | 65 | 75 |
| 38 | 186 | 11.16 | 38 | 45 | 58 | 65 |
| 40 | 206 | 12.36 | 34 | 34 | 40 | 52 |
| 42 | 227 | 13.62 | 30 | 37 | 48 | 55 |
| 45 | 261 | 15.66 | 27 | 32 | 42 | 48 |
| 48 | 297 | 17.82 | 24 | 28 | 37 | 42 |
| 50 | 322 | 19.32 | 22 | 25 | 34 | 38 |
| 55 | 390 | 23.4 | 18 | 21 | 28 | 32 |
JN250 High-Pressure Triplex Plunger Pump (Driven by Electric Motor), Pump Speed: 320 min⁻¹
| Plunger Dia. (mm) | Input Speed (r/min) 1480 | Pump Speed | 320 | Transmission Ratio | i=4.619 | |
| Max. Pressure (MPa) under Motor Power below | ||||||
| Theoretical Flow | 110 kW | 132 kW | 160 kW | 200 kW | ||
| L/min | m³/h | |||||
| 20 | 41 | 2.46 | 150 | 180 | 200 | 240 |
| 22 | 48 | 2.88 | 130 | 150 | 180 | 200 |
| 24 | 56 | 3.36 | 110 | 130 | 150 | 170 |
| 26 | 66 | 3.96 | 92 | 110 | 125 | 145 |
| 28 | 76 | 4.56 | 82 | 96 | 110 | 126 |
| 30 | 88 | 5.28 | 70 | 82 | 92 | 110 |
| 32 | 100 | 6 | 62 | 72 | 85 | 96 |
| 34 | 113 | 6.78 | 55 | 64 | 75 | 85 |
| 36 | 126 | 7.56 | 48 | 58 | 68 | 76 |
| 38 | 141 | 8.46 | 43 | 52 | 60 | 68 |
| 40 | 156 | 9.36 | 39 | 47 | 55 | 62 |
| 42 | 172 | 10.32 | 35 | 42 | 48 | 56 |
| 45 | 198 | 11.88 | 31 | 37 | 42 | 49 |
| 48 | 225 | 13.5 | 27 | 33 | 36 | 43 |
| 50 | 244 | 14.64 | 25 | 30 | 33 | 40 |
| 55 | 296 | 17.76 | 21 | 25 | 28 | 33 |
JN250 High-Pressure Triplex Plunger Pump (Driven by Diesel Engine) Standard Parameters
| Plunger Dia. (mm) | Input Speed (r/min) | Pump Speed | 320 | Transmission Ratio | i=4.619 | |
| 1480 | ||||||
| Max. Pressure (MPa) under Motor Power below | ||||||
| Theoretical Flow | 132 kW | 160 kW | 200 kW | 250 kW | ||
| L/min | m³/h | |||||
| 20 | 50 | 3 | 150 | 180 | 220 | 250 |
| 22 | 58 | 3.48 | 128 | 150 | 190 | 200 |
| 24 | 68 | 4.08 | 108 | 130 | 160 | 180 |
| 26 | 80 | 4.8 | 92 | 110 | 140 | 150 |
| 28 | 93 | 5.58 | 80 | 95 | 120 | 130 |
| 30 | 107 | 6.42 | 70 | 82 | 105 | 112 |
| 32 | 121 | 7.26 | 62 | 74 | 90 | 100 |
| 34 | 137 | 8.22 | 54 | 65 | 80 | 99 |
| 36 | 154 | 9.24 | 48 | 58 | 70 | 80 |
| 38 | 171 | 10.26 | 43 | 52 | 65 | 71 |
| 40 | 190 | 11.4 | 39 | 46 | 58 | 65 |
| 42 | 210 | 12.6 | 35 | 42 | 52 | 58 |
| 45 | 241 | 14.46 | 31 | 37 | 45 | 50 |
| 48 | 274 | 16.44 | 27 | 33 | 40 | 45 |
| 50 | 297 | 17.82 | 25 | 30 | 37 | 41 |
| 55 | 360 | 21.6 | 20 | 25 | 31 | 34 |
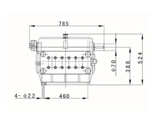
Dimensions: 1490×785×524 mm
