High-Pressure Water Injection Pump
High-pressure triplex plunger pumps for industrial cleaning and water injection
JN200 series high-pressure water injection pump is a triplex plunger pump featuring a compact structure, small footprint, and high efficiency. The power end adopts forced lubrication, with the high-speed shaft and crankshaft driven by herringbone gears to ensure smooth and reliable transmission. This design reduces friction, enhances lubrication performance, lowers noise, and maintains a low power-end operating temperature, making it suitable for long-term continuous operation. Additionally, the hydraulic end of this pump is easy to disassemble, simplifying maintenance.
The water injection pump is suitable for various high-pressure cleaning applications, such as:
- Ultra-high-pressure water jet cleaning
- Metal cutting
- Ship cleaning
- Rust removal
- Cleaning of heat exchangers, condensers, and reactors in chemical plants, sugar plants, and power plants
The pump can also be used to convey water, emulsions, or other water-like liquids.
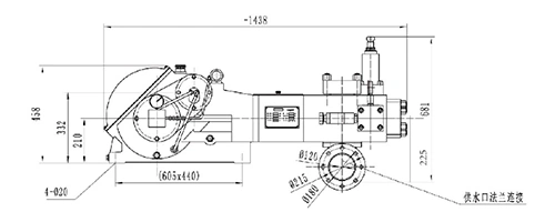
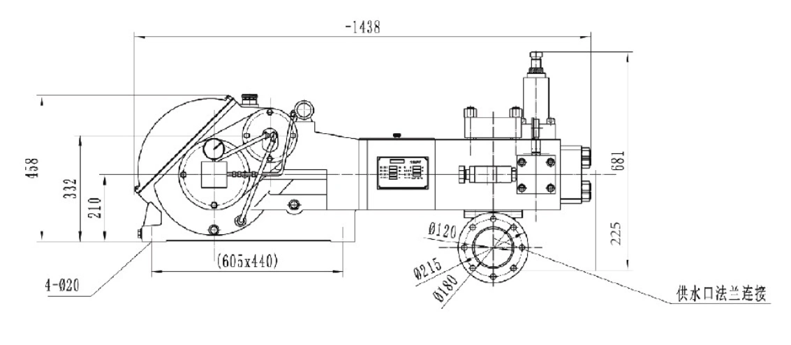
High-Pressure Water Injection Pump JN200K (45 MPa)
- Max. pressure: 45 MPa
- Max. flow: 585 L/min
- Dimensions: 1438×695×681 mm
Pump Speed: 366 min-1; Transmission Ratio: i = 4.04
| Plunger Dia. (mm) | Input Speed (r/min) 1480 | Pump Speed | 366 | Transmission Ratio | i=4.04 | |
| Max. Pressure (MPa) under Motor Power below | ||||||
| Theoretical Flow | 110 kW | 132 kW | 160 kW | 200 kW | ||
| L/min | m³/h | |||||
| 45 | 209 | 12.54 | 27 | 33 | 40 | 45 |
| 50 | 258 | 15.48 | 22 | 27 | 33 | 36 |
| 55 | 312 | 18.72 | 18 | 22 | 27 | 30 |
| 60 | 372 | 22.32 | 15 | 19 | 23 | 25 |
| 65 | 436 | 26.16 | 13 | 16 | 19 | 21 |
| 70 | 506 | 30.36 | 11 | 13 | 17 | 18 |
Pump Speed: 389 min-1; Transmission Ratio: i = 4.619
| Plunger Dia. (mm) | Input Speed (r/min) 1800 | Pump Speed | 389 | Transmission Ratio | i=4.619 | |
| Max. Pressure (MPa) under Motor Power below | ||||||
| Theoretical Flow | 110 kW | 132 kW | 160 kW | 200 kW | ||
| L/min | m³/h | |||||
| 45 | 222 | 13.32 | 26 | 32 | 38 | 44 |
| 50 | 274 | 16.44 | 21 | 26 | 31 | 35 |
| 55 | 332 | 19.92 | 17 | 21 | 25 | 29 |
| 60 | 395 | 23.7 | 14 | 18 | 21 | 24 |
| 65 | 464 | 27.84 | 12 | 15 | 18 | 21 |
| 70 | 538 | 32.28 | 10 | 13 | 15 | 18 |
Pump Speed: 320 min-1; Transmission Ratio: i = 4.619
| Plunger Dia. (mm) | Input Speed (r/min) 1480 | Pump Speed | 320 | Transmission Ratio | i=4.619 | |
| Max. Pressure (MPa) under Motor Power below | ||||||
| Theoretical Flow | 110 kW | 132 kW | 160 kW | |||
| L/min | m³/h | |||||
| 45 | 183 | 10.98 | 32 | 38 | 44 | |
| 50 | 226 | 13.56 | 25 | 31 | 35 | |
| 55 | 273 | 16.38 | 21 | 25 | 29 | |
| 60 | 325 | 19.5 | 18 | 21 | 24 | |
| 65 | 382 | 22.92 | 15 | 18 | 21 | |
| 70 | 443 | 26.58 | 13 | 16 | 18 | |
Pump Speed: 445 min-1; Transmission Ratio: i = 4.04
| Plunger Dia. (mm) | Input Speed (r/min) 1800 | Pump Speed | 445 | Transmission Ratio | i=4.04 | |
| Max. Pressure (MPa) under Motor Power below | ||||||
| Theoretical Flow | 110 kW | 132 kW | 160 kW | 200 kW | ||
| L/min | m³/h | |||||
| 45 | 245 | 14.7 | 23 | 28 | 34 | 42 |
| 50 | 300 | 18 | 19 | 23 | 28 | 34 |
| 55 | 360 | 21.6 | 16 | 19 | 23 | 28 |
| 60 | 430 | 25.8 | 13 | 16 | 19 | 24 |
| 65 | 500 | 30 | 11 | 14 | 16 | 21 |
| 70 | 585 | 35.1 | 10 | 12 | 14 | 17 |
Recommendation: When selecting a diesel engine, consider fuel economy by calculating the required power as 1.25 times the value listed in the table above.
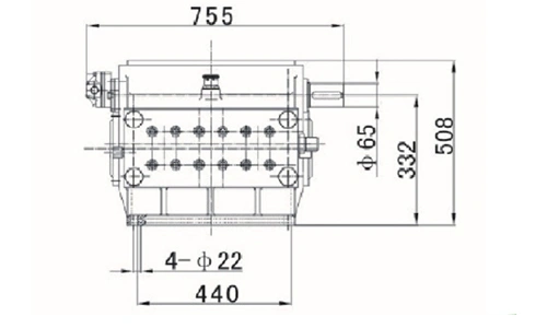
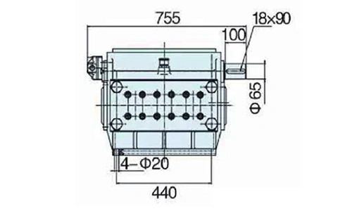
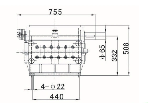
High-Pressure Water Injection Pump JN200Q (150 MPa)
- Max. pressure: 150 MPa
- Max. flow: 119 L/min
- Dimensions: 1416×755×508 mm
| JN200Q High-Pressure Triplex Plunger Pump Parameter Table | ||||||
| Plunger Dia. (mm) | Input Speed (r/min) 1480 | Pump Speed | 366 | Transmission Ratio | i=4.04 | |
| Max. Pressure (MPa) under Motor Power below | ||||||
| Theoretical Flow | 90 kW | 110 kW | 132 kW | 160 kW | ||
| L/min | m³/h | |||||
| 20 | 40 | 2.4 | 115 | 140 | 150 | |
| 22 | 50 | 3 | 95 | 120 | 140 | 150 |
| 24 | 60 | 3.6 | 80 | 100 | 115 | 140 |
| 26 | 70 | 4.2 | 70 | 85 | 100 | 120 |
| 28 | 80 | 4.8 | 56 | 70 | 85 | 100 |
| 30 | 93 | 5.58 | 50 | 60 | 70 | 90 |
| 34 | 119 | 7.14 | 38 | 46 | 57 | 70 |
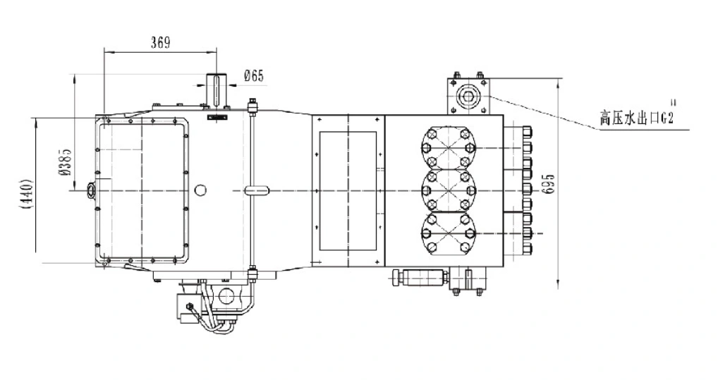
High-Pressure Water Injection Pump JN200 (280 MPa)
- Max. pressure: 280 MPa
- Max. flow: 380 L/min
- Dimensions: 1420×755×508 mm
| Plunger Dia. (mm) | Input Speed (r/min) 1480 | Pump Speed (r/min) | 366 | Transmission Ratio | i=4.04 | |
| Max. Pressure (MPa) under Motor Power below | ||||||
| Theoretical Flow | 110 kW | 132 kW | 160 kW | 200 kW | ||
| L/min | m³/h | |||||
| 17.46 | 31 | 1.86 | 190 | 220 | 260 | 280 |
| 20.64 | 44 | 2.64 | 132 | 160 | 180 | 210 |
| 22.23 | 51 | 3.06 | 115 | 140 | 160 | 180 |
| 24 | 59 | 3.54 | 100 | 120 | 140 | 150 |
| 26 | 70 | 4.2 | 80 | 100 | 120 | 130 |
| 28 | 81 | 4.86 | 70 | 90 | 100 | 115 |
| 30 | 93 | 5.58 | 62 | 80 | 87 | 100 |
| 32 | 105 | 6.3 | 55 | 70 | 78 | 85 |
| 34 | 119 | 7.14 | 49 | 60 | 68 | 75 |
| 36 | 134 | 8.04 | 44 | 52 | 60 | 68 |
| 38 | 149 | 8.94 | 40 | 48 | 55 | 61 |
| 40 | 165 | 9.9 | 35 | 42 | 50 | 55 |
| 42 | 182 | 10.92 | 32 | 38 | 45 | 50 |
| 45 | 209 | 12.54 | 28 | 35 | 39 | 43 |
| 48 | 238 | 14.28 | 24 | 31 | 34 | 38 |
| 50 | 258 | 15.48 | 22 | 28 | 31 | 35 |
| 55 | 312 | 18.72 | 18 | 23 | 26 | 28 |
| Plunger Dia. (mm) | Input Speed (r/min) 1800 | Pump Speed (r/min) | 389 | Transmission Ratio | i=4.619 | |
| Max. Pressure (MPa) under Motor Power below | ||||||
| Nominal Flow Rate | 110 kW | 132 kW | 160 kW | 200 kW | ||
| L/min | m³/h | |||||
| 17.46 | 33 | 1.98 | 175 | 220 | 250 | 280 |
| 20.64 | 46 | 2.76 | 125 | 160 | 180 | 200 |
| 22.23 | 54 | 3.24 | 108 | 135 | 150 | 180 |
| 24 | 63 | 3.78 | 92 | 116 | 130 | 150 |
| 26 | 74 | 4.44 | 80 | 98 | 110 | 130 |
| 28 | 86 | 5.16 | 68 | 85 | 95 | 110 |
| 30 | 98 | 5.88 | 60 | 74 | 85 | 98 |
| 32 | 112 | 6.72 | 52 | 65 | 72 | 85 |
| 34 | 127 | 7.62 | 45 | 57 | 64 | 75 |
| 36 | 142 | 8.52 | 40 | 51 | 58 | 68 |
| 38 | 158 | 9.48 | 36 | 46 | 52 | 61 |
| 40 | 175 | 10.5 | 33 | 41 | 46 | 55 |
| 42 | 193 | 11.58 | 30 | 37 | 42 | 50 |
| 45 | 222 | 13.32 | 26 | 32 | 37 | 43 |
| 48 | 253 | 15.18 | 23 | 28 | 32 | 38 |
| 50 | 274 | 16.44 | 21 | 26 | 30 | 35 |
| 55 | 332 | 19.92 | 17 | 22 | 25 | 29 |
| Plunger Dia. (mm) | Input Speed (r/min) 1480 | Pump Speed (r/min) | 320 | Transmission Ratio | i=4.619 | |
| Max. Pressure (MPa) under Motor Power below | ||||||
| Nominal Flow Rate | 90 kW | 110 kW | 132 kW | 160 kW | ||
| L/min | m³/h | |||||
| 17.46 | 27 | 1.62 | 180 | 210 | 250 | 280 |
| 20.64 | 38 | 2.28 | 130 | 150 | 180 | 205 |
| 22.23 | 44 | 2.64 | 110 | 130 | 155 | 180 |
| 24 | 52 | 3.12 | 95 | 110 | 140 | 152 |
| 26 | 61 | 3.66 | 82 | 92 | 120 | 130 |
| 28 | 70 | 4.2 | 71 | 82 | 100 | 112 |
| 30 | 81 | 4.86 | 61 | 71 | 90 | 98 |
| 32 | 92 | 5.52 | 52 | 62 | 80 | 86 |
| 34 | 104 | 6.24 | 47 | 54 | 70 | 76 |
| 36 | 117 | 7.02 | 42 | 48 | 60 | 68 |
| 38 | 130 | 7.8 | 38 | 43 | 55 | 60 |
| 40 | 144 | 8.64 | 33 | 40 | 50 | 55 |
| 42 | 159 | 9.54 | 30 | 36 | 45 | 50 |
| 45 | 183 | 10.98 | 27 | 31 | 40 | 43 |
| 48 | 208 | 12.48 | 24 | 27 | 35 | 38 |
| 50 | 226 | 13.56 | 22 | 25 | 32 | 35 |
| 55 | 273 | 16.38 | 18 | 21 | 26 | 29 |
| Plunger Dia. (mm) | Input Speed (r/min) 1800 | Pump Speed (r/min) | 445 | Transmission Ratio | i=4.04 | |
| Max. Pressure (MPa) under Motor Power below | ||||||
| Nominal Flow Rate | 110 kW | 132 kW | 160 kW | 200 kW | ||
| L/min | m³/h | |||||
| 17.46 | 38 | 2.28 | 150 | 190 | 220 | 250 |
| 20.64 | 53 | 3.18 | 108 | 135 | 155 | 180 |
| 22.23 | 62 | 3.72 | 93 | 118 | 130 | 155 |
| 24 | 72 | 4.32 | 80 | 100 | 115 | 130 |
| 26 | 85 | 5.1 | 68 | 85 | 98 | 110 |
| 28 | 98 | 5.88 | 58 | 74 | 85 | 98 |
| 30 | 113 | 6.78 | 51 | 64 | 74 | 85 |
| 32 | 128 | 7.68 | 45 | 57 | 64 | 75 |
| 34 | 145 | 8.7 | 40 | 50 | 56 | 65 |
| 36 | 162 | 9.72 | 35 | 45 | 50 | 58 |
| 38 | 181 | 10.86 | 31 | 40 | 45 | 52 |
| 40 | 201 | 12.06 | 28 | 36 | 41 | 47 |
| 42 | 221 | 13.26 | 26 | 33 | 37 | 43 |
| 45 | 254 | 15.24 | 22 | 28 | 32 | 37 |
| 48 | 289 | 17.34 | 20 | 25 | 28 | 33 |
| 50 | 314 | 18.84 | 18 | 22 | 26 | 30 |
| 55 | 380 | 22.8 | 15 | 19 | 22 | 25 |
Recommendation: When selecting a diesel engine, consider fuel economy by calculating the required power as 1.25 times the value listed in the table above.
Dimensions: 1420×755×508 mm






